ТРАНСФОРМАТОР 2X12V/1.65A 220V INDEL
Арт.№: 23678

1 от 2
| Изображенията са с илюстративна цел. Дизайнът може да варира, без това да влияе на функционалността. |
Безплатна доставка над
50.00
€
/
97.79
лв.
ППЦ:
€
€
25.77
€
/
50.40
лв.
Валидност на промоцията
до
В наличност
Доставка и плащане
Резервирай
и вземи от Добави в любими
Твоите любими продукти Информация
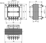
Трансформатор мрежов INDEL 2x12V, 2x1.65A, 40VA
Първично напрежение: 220V AC (изводи 2-4)
Вторично напрежение: 2x12V AC; (изводи 10-9, 7-6)
Ток на вторичнатa намотка: 2x1.65A
Мощност: 40VA
Изводи: за печатен монтаж
Габаритни размери: /ДxВxШ/ 66х55х60mm
Характеристики
Произход
Полша